中国政府网
|
山西省政府
|
阳泉市政府
无障碍浏览
|
繁體中文
首页
新闻资讯
政务公开
网上办事
政民互动
走进盂县
专题专栏
您当前的位置:
首页
>
政务公开
>
权责清单公开
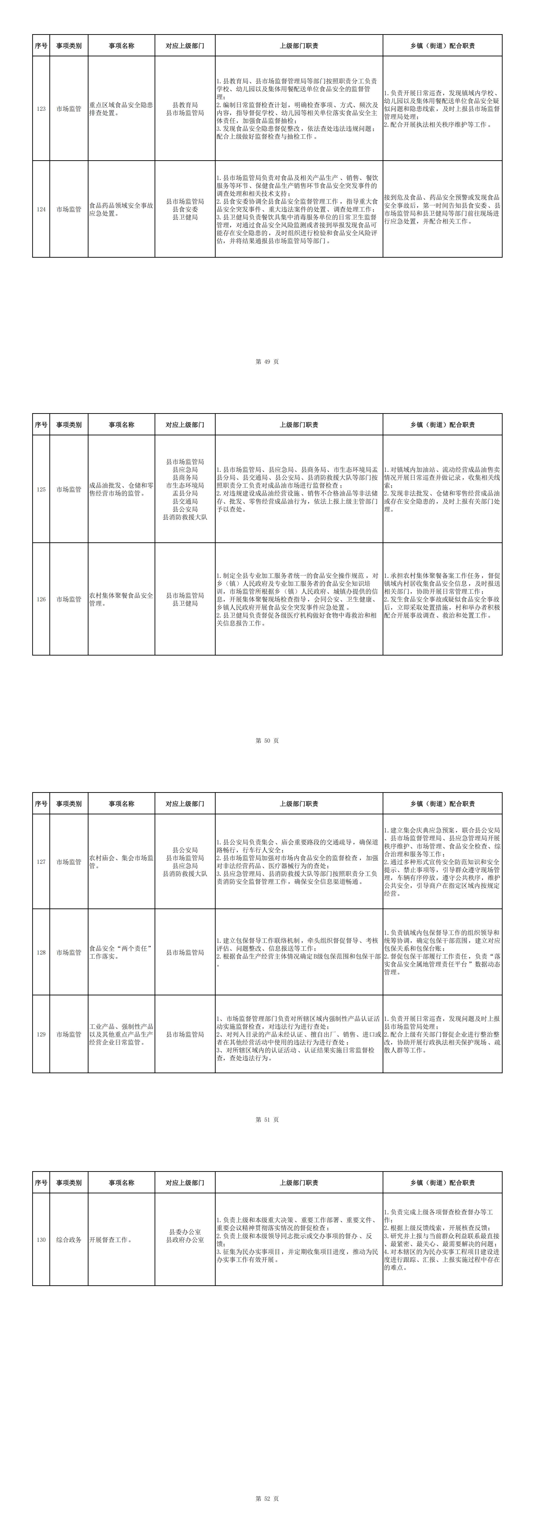
盂县南娄镇履行职责事项清单
盂县人民政府 www.sxyx.gov.cn
2025-01-27 14:12
来源:
放大
正常
缩小
《
盂县秀水镇、南娄镇、西烟镇履行职责事项清单
》已经县委、县政府同意,现予以公布。
打印本页
关闭本页
主办:中共盂县县委 盂县人民政府 技术支持:盂县数据服务中心 电话:0353-8083209
晋ICP备19004531号
网站标识码 1403220004
晋公网安备 14032202000057号
使用大于1366*768分辨率/IE10.0或以上浏览器可以体验最佳浏览效果!
站点地图